特長・用途
- 小型・軽量・ローコスト
- カンチレバー式のため経時的変化が少ない
- 精度クラス:0.5 %R.O.
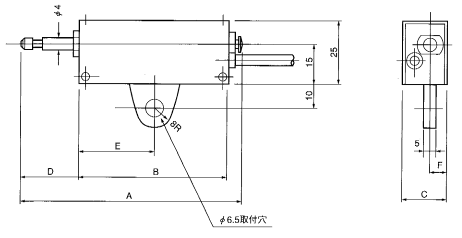
型式・外観寸法

形式名と定格変位・寸法(単位:mm)・測定反力・質量
| 形式名 | 定格変位 | A | B | C | D | E | F | 反力(N) 始点/終点 | 質 量 |
|---|---|---|---|---|---|---|---|---|---|
| TCL-5M | 5 mm | 67 | 45 | 22 | 18 | 20 | 11 | 2.0/5.0 | 150 g |
| TCL-10M | 10 mm | 91 | 60 | 18 | 25 | 30 | 7 | 2.0/5.0 | 200 g |
| TCL-20M | 20 mm | 101 | 60 | 18 | 35 | 30 | 7 | 1.5/4.5 | 250 g |
| TCL-30M | 30 mm | 131 | 80 | 18 | 45 | 40 | 7 | 1.0/4.0 | 300 g |
| TCL-50M | 50 mm | 171 | 100 | 18 | 65 | 50 | 7 | 1.0/4.0 | 400 g |
※質量はケーブルを含みません。
仕様・規格
| 定格出力 | 1.5 mV/V±1 % |
|---|---|
| 直線性 | 0.5 %R.O. |
| ヒステリシス | 0.5 %R.O. |
| 繰り返し性 | 0.3 %R.O. |
| 推奨印加電圧 | 3 V 以内 |
| 許容印加電圧 | 6 V |
| 入力抵抗 | 120 Ω |
| 出力抵抗 | 120 Ω |
| 温度補償範囲 | 0~50 ℃ |
| 許容温度範囲 | 0~60 ℃ |
| 零点の温度特性 | 0.05 %R.O./℃ |
| 出力の温度特性 | 0.08 %/℃ |
| ケーブル | Φ4 mm-4芯シールド0.3 m、先端コネクタ付 |
| コネクタ | ジャック/PRC03-32A10-7F |