特長・用途
- 汎用型・高安定タイプ
- 圧力導入型、気密構造
- オールステンレス製
- 精度クラス:0.3 %R.O.(一部定格を除く)
- 直出しケーブル標準、NDIS 又は防水コネクタタイプへ変更可能 (オプション)
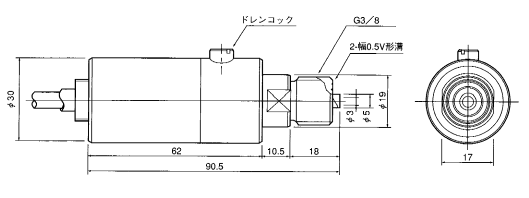
型式・外観寸法

形式名と定格容量・固有振動数・質量
| 形式名 | 定格容量 | 固有振動数 | 質量 |
|---|---|---|---|
| HVU-1MPA | 1 MPa(10.20 kgf/cm2) | 16 kHz | 250 g |
| HVU-2MPA | 2 MPa(20.39 kgf/cm2) | 17 kHz | 250 g |
| HVU-5MPA | 5 MPa(50.99 kgf/cm2) | 40 kHz | 250 g |
| HVU-10MPA | 10 MPa(102.0 kgf/cm2) | 65 kHz | 250 g |
| HVU-20MPA | 20 MPa(203.9 kgf/cm2) | 60 kHz | 250 g |
| HVU-50MPA | 50 MPa(509.9 kgf/cm2) | 94 kHz | 250 g |
※質量は中継ケーブルを含みません。
※固有振動数は弾性体単体での計算値です。圧力応答性は圧力媒体等に依存されます。
仕様・規格
| 許容過負荷 | 120 %R.C. |
|---|---|
| 定格出力 | 1.5 mV/V±1 % (1 MPa) |
| 2.0 mV/V±1 % (2 MPa~50 MPa) | |
| 直線性 | 0.5 %R.O. (1 MPa) |
| 0.3 %R.O. (2 MPa~50 MPa) | |
| ヒステリシス | 0.5 %R.O. (1 MPa) |
| 0.3 %R.O. (2 MPa~50 MPa) | |
| 繰り返し性 | 0.3 %R.O. (1 MPa) |
| 0.2 %R.O. (2 MPa~50 MPa) | |
| 推奨印加電圧 | 10 V 以内 |
| 許容印加電圧 | 15 V |
| 入力抵抗 | 350 Ω |
| 出力抵抗 | 350 Ω |
| 温度補償範囲 | -10~60 ℃ |
| 許容温度範囲 | -20~80 ℃ |
| 零点の温度影響 | 0.03 %R.O./℃ (1 MPa) |
| 0.02 %R.O./℃ (2 MPa~50 MPa) | |
| 出力の温度影響 | 0.05 %/℃ |
| ケーブル | Φ6 mm 4芯シールド 0.3 m、先端コネクタ付 |
| コネクタ | ジャック/PRC03-32A10-7F |
| 付属ケーブル | L-A-5、コネクタの種類と接続を参照 |