特長・用途
- 小型・軽量(40 g/ケーブルを除く)
- 高温対応(150 ℃)
- 受圧部にステンレスを使用し耐食性に優れている
- 精度クラス:0.5 %R.O.
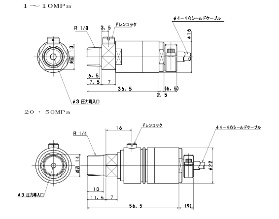
型式・外観寸法

形式名と定格容量・固有振動数・質量
| 形式名 | 定格容量 | 固有振動数 | 質量 |
|---|---|---|---|
| HVJS-1MPA | 1 MPa(10.20 kgf/cm2) | 38 kHz | 40 g |
| HVJS-2MPA | 2 MPa(20.39 kgf/cm2) | 60 kHz | 40 g |
| HVJS-5MPA | 5 MPa(50.99 kgf/cm2) | 95 kHz | 40 g |
| HVJS-10MPA | 10 MPa(102.0 kgf/cm2) | 165 kHz | 40 g |
| HVJS-20MPA | 20 MPa(203.9 kgf/cm2) | 150 kHz | 110 g |
| HVJS-50MPA | 50 MPa(509.9 kgf/cm2) | 240 kHz | 110 g |
※質量は中継ケーブルを含みません。
※固有振動数は弾性体単体での計算値です。圧力応答性は圧力媒体等に依存されます。
仕様・規格
| 許容過負荷 | 120 %R.C. |
|---|---|
| 定格出力 | 1.0 mV/V (1 MPa) |
| 1.5 mV/V (2 MPa~50 MPa) | |
| 直線性 | 0.5 %R.O. |
| ヒステリシス | 0.5 %R.O. |
| 繰り返し性 | 0.3 %R.O. |
| 推奨印加電圧 | 4 V 以内 |
| 許容印加電圧 | 6 V |
| 入力抵抗 | 370 Ω |
| 出力抵抗 | 350 Ω |
| 温度補償範囲 | -10~150 ℃ |
| 許容温度範囲 | -20~165 ℃ |
| 零点の温度影響 | 0.008 %R.O./℃ |
| 出力の温度影響 | 0.01 %/℃ |
| ケーブル | Φ4 mm 4芯シールド耐熱ケーブル 5 m |
| 先端コネクタ付 | |
| コネクタ | プラグ/PRC03-12A10-7M |