特長・用途
- ※全て受注生産品です。
- シンプルな構造のトルク・軸力変換器
- 取付容易なフランジ付で材料試験機に最適
- 相互干渉:3 %以内(データ付)
- 高容量対応(2 kN•m/200 kN)
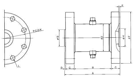
型式・外観寸法

形式名・寸法・固有振動数・質量(単位:mm)
| 形式名 | 定格容量(トルク/軸力) | A | B | C | D | E | F | G(g6) | H(H7) | J | K | 固有振動数(トルク/軸力) | 質量 |
|---|---|---|---|---|---|---|---|---|---|---|---|---|---|
| MMF-200-20KN | 200 N•m/20 kN | 104 | 70 | 15 | 4 | 5 | 135 | 45 | 45 | 75 | 110 | 570 Hz/1.9 kHz | 4.1 kg |
| MMF-500-50KN | 500 N•m/50 kN | 132 | 80 | 24 | 4 | 5 | 170 | 50 | 50 | 89 | 135 | 520 Hz/1.8 kHz | 9.1 kg |
| MMF-1K-100KN | 1 kN•m/100 kN | 174 | 110 | 30 | 4 | 5 | 185 | 50 | 50 | 89 | 140 | 500 Hz/2.8 kHz | 13.6 kg |
| MMF-2K-200KN | 2 kN•m/200 kN | 225 | 135 | 43 | 4 | 5 | 250 | 50 | 50 | 89 | 200 | 320 Hz/2.4 kHz | 32.1 kg |
※全て受注生産品です。
仕様・規格
| 許容過負荷 | 150 %RC |
|---|---|
| 定格出力 | 1 mV/V±1 % |
| 直線性 | 0.2 %RO |
| ヒステリシス | 0.2 %RO |
| 繰り返し性 | 0.1 %RO |
| 推奨印加電圧 | 10 V 以内 |
| 許容印加電圧 | 15 V 以内 |
| 入力抵抗 | 350 Ω |
| 出力抵抗 | 350 Ω |
| 温度補償範囲 | -10~60 ℃ |
| 許容温度範囲 | -30~80 ℃ |
| 零点の温度影響 | 0.01 %RO/℃ |
| 出力の温度影響 | 0.01 %/℃ |
| 相互干渉 | 3 %RO(トルク・軸力共) |
| コネクタ | レセプタクル/PRC03-21A10-7F |
| 付属ケーブル | L-A-5、コネクタの種類と接続を参照 |