特長・用途
- 独自構造採用により高精度を実現
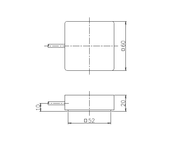
- 高さ20mmの薄型設計
型式・外観寸法

型式名・定格容量・質量(単位:mm)
| 型式名 | 定格容量 | 質量 |
|---|---|---|
| WBHM-10N | 10 N | 100 g |
| WBHM-20N | 20 N | 100 g |
| WBHM-50N | 50 N | 100 g |
※質量はケーブルを含みません。
※全て受注生産品です。
仕様・規格
| 許容過負荷 | 150 %RC |
|---|---|
| 定格出力 | 2 mV/V |
| 直線性 | 0.02 %RO |
| ヒステリシス | 0.01 %RO |
| 負荷位置離脱特性 | 0.02 %/cm (3cm以内) |
| 繰り返し性 | 0.015 %RO |
| 推奨印加電圧 | 7 V 以内 |
| 許容印加電圧 | 10 V 以内 |
| 入力抵抗 | 410 Ω |
| 出力抵抗 | 350 Ω |
| 温度補償範囲 | -10~45 ℃ |
| 許容温度範囲 | -20~60 ℃ |
| 零点の温度影響 | 0.005 %RO/℃ |
| 出力の温度影響 | 0.005 %/℃ |
| ケーブル | Φ 4 mm-4芯シールド1 m、先端コネクタ付 |
| コネクタ | PRC03-12A10-7M |