特長・用途
- 低容量(50~1000 N•cm)を精度良く検出可能
- 捩り角の少ない高剛性、高レスポンス計測に最適
- オールアルミ構造で小形・軽量
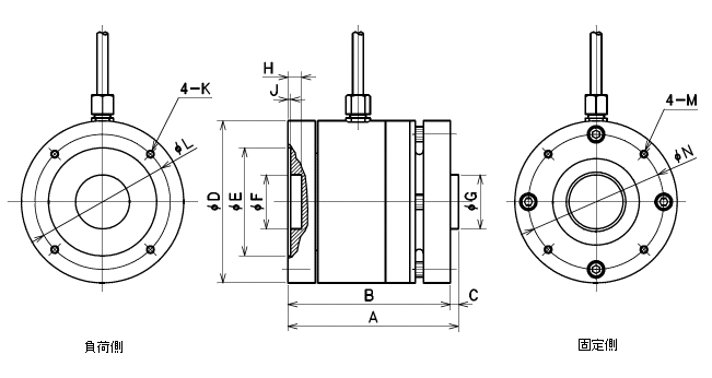
型式・外観寸法

形式名と定格・寸法(単位:mm)・質量
| 形式名 | 定格容量 | A | B | C | D | E | F | G | H | J | K | L | M | N | 質量 |
|---|---|---|---|---|---|---|---|---|---|---|---|---|---|---|---|
| TP-50NCR | 50 N•cm | 58 | 55 | 3 | 45 | 25 | 10 | 10 | 5 | 1 | M3深6 | 35 | M3深6 | 35 | 150 g |
| TP-100NCR | 100 N•cm | 63 | 60 | 3 | 50 | 30 | 12 | 12 | 5 | 1 | M3深6 | 40 | M3深6 | 40 | 200 g |
| TP-200NCR | 200 N•cm | 63 | 60 | 3 | 50 | 30 | 12 | 12 | 5 | 1 | M3深6 | 40 | M3深6 | 40 | 200 g |
| TP-500NCR | 500 N•cm | 63 | 60 | 3 | 60 | 40 | 20 | 20 | 5 | 1 | M3深6 | 50 | M3深6 | 50 | 280 g |
| TP-1000NCR | 1000 N•cm | 63 | 60 | 3 | 60 | 40 | 20 | 20 | 5 | 1 | M3深6 | 50 | M3深6 | 50 | 280 g |
※本製品は全て受注生産品です。
※定格/捩り角:1.05×10-3 ~ 4.36×10-4 rad
仕様・規格
| 許容過負荷 | 150 %R.C. |
|---|---|
| 定格出力 | 1.0 mV/V(公称値) |
| 直線性 | 0.2 %R.O. |
| ヒステリシス | 0.2 %R.O. |
| 繰り返し性 | 0.1 %R.O. |
| 推奨印加電圧 | 4 V 以内 |
| 許容印加電圧 | 6 V |
| 入力抵抗 | 350 Ω |
| 出力抵抗 | 350 Ω |
| 補償温度範囲 | -10~40 ℃ |
| 許容温度範囲 | -20~60 ℃ |
| 零点の温度影響 | 0.03 %R.O./℃ |
| 出力の温度影響 | 0.05 %R.O./℃ |
| ケーブル | Φ4 mm-4芯シールド 3 m、先端コネクタ付 |
| 先端コネクタ | プラグ/PRC03-12A10-7M |