特長・用途
- 静的から動的トルクの測定が可能
- 機械的捩り角が小さく(約 0.1゜、約 0.2゜/5 kN•m以上)・高精度
- 広範囲な定格容量(50 N•m~20 kN•m)
- 用途:材料試験機・検査機器等
- ディスク形のカスタム設計・製作可能
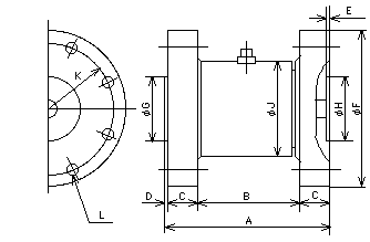
型式・外観寸法

形式名と定格・寸法(単位:mm)・質量
| 形式名 | 定格容量 | A | B | C | D | E | F | G(g6) | H(H7) | J | K | L | 固有振動数 | 質量 |
|---|---|---|---|---|---|---|---|---|---|---|---|---|---|---|
| TP-50N | 50 N•m | 99 | 65 | 15 | 4 | 5 | 110 | 60 | 60 | 65 | 90 | 8-Φ9 | 7.0kHz | 2.9 kg |
| TP-100N | 100 N•m | 99 | 65 | 15 | 4 | 5 | 110 | 60 | 60 | 65 | 90 | 8-Φ9 | 7.0kHz | 2.9 kg |
| TP-200N | 200 N•m | 99 | 65 | 15 | 4 | 5 | 110 | 60 | 60 | 65 | 90 | 8-Φ9 | 7.0kHz | 2.9 kg |
| TP-500N | 500 N•m | 119 | 70 | 22.5 | 4 | 5 | 135 | 80 | 80 | 70 | 110 | 8-Φ14 | 5.0kHz | 6.2 kg |
| TP-1KN | 1 kN•m | 119 | 70 | 22.5 | 4 | 5 | 135 | 80 | 80 | 70 | 110 | 8-Φ14 | 5.0kHz | 6.2 kg |
| TP-2KN* | 2 kN•m | 154 | 95 | 27.5 | 4 | 5 | 185 | 110 | 110 | 89 | 155 | 8-Φ18 | 3.5kHz | 13 kg |
| TP-5KN* | 5 kN•m | 199 | 125 | 35 | 4 | 5 | 215 | 125 | 125 | 101 | 180 | 12-Φ18 | 2.0kHz | 25 kg |
| TP-10KN* | 10 KN•m | 239 | 155 | 40 | 4 | 5 | 270 | 160 | 160 | 114 | 230 | 12-Φ22 | 1.7kHz | 45 kg |
| TP-20KN* | 20 KN•m | 339 | 225 | 55 | 4 | 5 | 340 | 210 | 210 | 160 | 280 | 12-Φ33 | 1.5kHz | 97 kg |
※*記号の製品は受注生産品です。
※G/H の公差寸法はそれぞれ”g6/H7″となります。
※その他の仕様は取説ダウンロードにてご確認下さい。
仕様・規格
| 許容過負荷 | 150 %R.C. |
|---|---|
| 定格出力 | 1.0 mV/V±1 % |
| 直線性 | 0.2 %R.O. |
| ヒステリシス | 0.2 %R.O. |
| 繰り返し性 | 0.1 %R.O. |
| 推奨印加電圧 | 12 V 以内 |
| 許容印加電圧 | 20 V |
| 入力抵抗 | 350 Ω |
| 出力抵抗 | 350 Ω |
| 補償温度範囲 | -10~60 ℃ |
| 許容温度範囲 | -30~80 ℃ |
| 零点の温度影響 | 0.01 %R.O./℃ |
| 出力の温度影響 | 0.01 %R.O./℃ |
| コネクタ | レセプタクル/PRC03-21A10-7F |
| 付属ケーブル | L-A-5、コネクタの種類と接続を参照 |