自由金具は膨張逃げ金具と呼ばれ、外的温度の影響によりロードセルに横方向(水平方向)の力が発生することを抑え計測精度を安定させる一つの手法で、主に圧縮用ロードセルに利用されています。
適用機種:SH型、SHE型、SHU型、RCU型、RCE型、RCD型
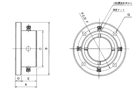
外観

寸法
単位:mm
| 型式名 | A | ΦB | C | D | E | F | G | H |
|---|---|---|---|---|---|---|---|---|
| THA-1* | 36 | 90 | 62 | 10 | 26 | 75 | 4-Φ6.5 | M4 |
| THA-2* | 40 | 105 | 77 | 10 | 30 | 90 | 4-Φ6.5 | M4 |
| THA-5* | 55 | 160 | 120 | 15 | 40 | 140 | 4-Φ9 | M5 |
| THA-10* | 65 | 190 | 150 | 20 | 45 | 170 | 4-Φ9 | M6 |
| THA-20* | 90 | 260 | 207 | 25 | 65 | 235 | 4-Φ14 | M8 |
※*記号の製品は受注生産です。