ロードセル用ロードボタンとしてご利用いただけます。
適用機種:SHU型、SHE型、DBU型、BUX型、RCT-E型
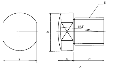
外観

寸法
単位:mm
| 型式名 | A | B | C | ΦD | E | F | S |
|---|---|---|---|---|---|---|---|
| TBA-12 | 24 | 10 | 14 | 22 | M12×1.75 | 40 | 19 |
| TBA-16 | 28 | 10 | 18 | 22 | M16×2 | 50 | 19 |
| TBA-24 | 43 | 17 | 26 | 34 | M24×2 | 60 | 30 |
| TBA-36* | 60 | 20 | 40 | 52 | M36×2 | 80 | 46 |
| TBA-48* | 83 | 28 | 55 | 70 | M48×2 | 100 | 65 |
| TBB-12 | 25 | 10 | 15 | 20 | M12×1.5 | 20 | 17 |
| TBB-18 | 35 | 15 | 20 | 30 | M18×1.5 | 65 | 27 |
| TBB-24* | 60 | 20 | 40 | 40 | M24×1.5 | 60 | 36 |
| TBB-50* | 100 | 40 | 60 | 80 | M50×2 | 100 | 75 |
| TBC-12 | 30 | 10 | 20 | 22 | M12×1 | 50 | 19 |
| TBC-20 | 42 | 17 | 25 | 34 | M20×1.5 | 60 | 30 |
| TBC-32* | 53 | 23 | 30 | 52 | M32×2 | 80 | 46 |
| TBC-40 | 70 | 30 | 40 | 60 | M40×2 | 100 | 55 |
※*記号の製品は受注生産です。