引張荷重測定時にねじり負荷が入らないようにする治具で牽引力測定で主に利用されてます。
適用機種:SH型、SHE型、SHU型、RCT型、RTD型、RTU型、RTE型、DB型、DBS型
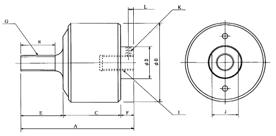
外観

寸法
単位:mm
| 型式名 | A | ΦB | C | D | E | F | G | H | I | J | K | L |
|---|---|---|---|---|---|---|---|---|---|---|---|---|
| TGA-12 | 86 | 60 | 45 | 24.5 | 31 | 10 | M12×1.75 | 26 | M12×1.75深25 | 22 | M4 | 5 |
| TGA-16 | 111 | 80 | 60 | 29.5 | 38 | 13 | M16×2 | 32 | M16×2深28 | 27 | M57.5 | 15 |
| TGA-24* | 163 | 115 | 91 | 44.5 | 54 | 18 | M24×2 | 47 | M24×2深42 | 41 | M6 | 10 |
| TGA-36* | 260 | 175 | 143 | 59.5 | 94 | 23 | M36×2 | 84 | M39×2深53 | 55 | M8 | 10 |
| TGA-40* | 391 | 230 | 200 | 84 | 81.5 | 28 | M40×2 | 71.5 | M50×2深70 | 80 | M10 | 15 |
| TGA-48* | 327 | 230 | 200 | 84 | 99 | 28 | M48×3 | 89 | M50×2深70 | 80 | M10 | 15 |
| TGB-6 | 52 | 34 | 25 | 12 | 20 | 7 | M6×1 | 15 | M6×1深12 | 10 | M3 | 3 |
| TGB-14* | 86 | 60 | 45 | 24.5 | 31 | 10 | M14×1.5 | 26 | M12×深25 | 22 | M14 | 5 |
| TGB-18* | 129 | 80 | 60 | 29.5 | 56 | 13 | M18×1.5 | 50 | M16×2深28 | 27 | M5 | 7.5 |
| TGB-24* | 178 | 115 | 91 | 44.5 | 69 | 18 | M24×1.5 | 62 | M24×2深42 | 41 | M6 | 10 |
| TGB-28* | 167 | 115 | 91 | 44.5 | 58 | 18 | M28×1.5 | 51 | M24×2深42 | 41 | M6 | 10 |
| TGB-36* | 243 | 175 | 143 | 59.5 | 77 | 23 | M36×2 | 67 | M39×2深53 | 55 | M8 | 10 |
| TGB-40* | 245 | 175 | 143 | 59.5 | 79 | 23 | M40×1.5 | 69 | M39×2深53 | 55 | M8 | 10 |
| TGB-50* | 347 | 230 | 200 | 84 | 119 | 28 | M50×2 | 109 | M50×2深70 | 70 | M10 | 15 |
| TGB-54* | 329 | 230 | 200 | 84 | 109 | 28 | M54×2 | 91 | M50×2深70 | 70 | M10 | 15 |
| TGC-12* | 91 | 60 | 45 | 24.5 | 36 | 10 | M12×1 | 31 | M12×1.75深25 | 22 | M4 | 5 |
| TGC-18* | 116 | 80 | 60 | 29.5 | 43 | 13 | M18×1.5 | 37 | M16×2深28 | 27 | M5 | 5 |
| TGC-20* | 155 | 115 | 91 | 44.5 | 46 | 18 | M20×1.5 | 39 | M24×2深25 | 41 | M6 | 10 |
| TGC-32* | 228 | 175 | 143 | 59.5 | 62 | 23 | M30×2 | 52 | M39×2深53 | 55 | M8 | 10 |
| TGD-12* | 115 | 80 | 60 | 29.5 | 42 | 13 | M12×1 | 36 | M16×2深28 | 27 | M5 | 7.5 |
| TGE-12* | 73 | 50 | 43 | 20 | 25 | 5 | M12×1.25 | 15 | M12×1.25深16 | — | M3 | 3 |
| TGF-12* | 83 | 70 | 52 | 20 | 26 | 5 | M12×1.25 | 15 | M12×1.25深16 | — | M3 | 3 |
| TGG-12* | 72 | 50 | 32 | 20 | 30 | 10 | M12×1.5 | 25 | M12×1.5深25 | 18 | M3 | 4 |
※*記号の製品は受注生産です。