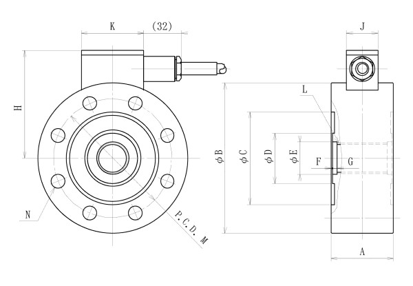
型式・外観寸法

型式名と定格容量・寸法(単位:mm)・固有振動数・質量
| 型式名 | 定格容量 | A | B | C | D | E(H7) | F | G | H7 | J | K | L | M | N | 固有振動数 | 質量 |
|---|---|---|---|---|---|---|---|---|---|---|---|---|---|---|---|---|
| SHE-5KN | 5 kN | 40 | 105 | 65 | 35 | 20 | 1 | 3 | 77 | 25 | 50 | M18×1.5 | 85 | 8-Φ9 | 3.5 kHz | 2.2 kg |
| SHE-10KN | 10 kN | 40 | 105 | 65 | 35 | 20 | 1 | 3 | 77 | 25 | 50 | M18×1.5 | 85 | 8-Φ9 | 5.0 kHz | 2.2 kg |
| SHE-20KN | 20 kN | 40 | 105 | 65 | 35 | 20 | 1 | 3 | 77 | 25 | 50 | M18×1.5 | 85 | 8-Φ9 | 7.6 kHz | 2.2 kg |
| SHE-50KN | 50 kN | 50 | 120 | 74 | 40 | 26 | 1 | 4 | 86 | 25 | 50 | M24×1.5 | 95 | 8-Φ11 | 8.8 kHz | 3.3 kg |
| SHE-100KN | 100 kN | 65 | 160 | 100 | 60 | 40 | 1 | 5 | 108.5 | 30 | 55 | M36×2 | 130 | 8-Φ18 | 7.0 kHz | 7.1 kg |
| SHE-200KN | 200 kN | 80 | 220 | 140 | 80 | 55 | 1 | 5 | 140.5 | 30 | 55 | M50×2 | 180 | 8-Φ26 | 5.6 kHz | 16 kg |
| SHE-500KN* | 500 kN | 100 | 330 | 200 | 135 | 90 | 2 | 7 | 203.5 | 40 | 70 | M85×2 | 265 | 8-Φ33 | 5.9 kHz | 49kg |
| SHE-1MN* | 1 MN | 140 | 460 | 280 | 190 | 115 | 2 | 7 | 270 | 40 | 70 | M110×3 | 370 | 16-Φ33 | 3.3 kHz | 130 kg |
| SHE-2MN* | 2MN | 165 | 540 | 368 | 240 | 170 | 4 | 10 | 310 | 40 | 70 | M160×4 | 454 | 16-Φ45 | 3.1 kHz | 190 kg |
※未記載の項目確認は取扱説明書又は当社までお問い合わせください。
※*記号の製品は受注生産です。
仕様・規格
| 許容過負荷 | 150 %R.C. |
|---|---|
| 定格出力 | 2 mV/V±1 % |
| 直線性 | 0.05 %R.O.(5 kN~200 kN) 0.15 %R.O.(500 kN,1 MN) 0.2 %R.O.(2MN) |
| ヒステリシス | 0.1 %R.O.(5 kN~200 kN) 0.15 %R.O.(500 kN,1 MN) 0.2 %R.O.(2MN) |
| 繰り返し性 | 0.03 %R.O.(5 kN~200 kN) 0.1%R.O.(500kN,1MN) |
| 推奨印加電圧 | 12 V 以内 |
| 許容印加電圧 | 20 V |
| 入力抵抗 | 350 Ω |
| 出力抵抗 | 350 Ω |
| 温度補償範囲 | -10~60 ℃ |
| 許容温度範囲 | -30~80 ℃ |
| 零点の温度特性 | 0.005 %R.O./℃ |
| 出力の温度特性 | 0.01 %/℃ |
| ケーブル | Φ8 mm-4芯シールドケーブル5 m、先端コネクタ付 |
| コネクタ | PRC03-12A10-7M |