特長・用途
- 高精度な引張・圧縮タイプ
- 不活性ガス封入、完全密閉溶接構造
- 耐偏芯・耐疲労特性に優れている
- 疲労試験機、産業機械に広く利用されている
- 精度クラス:0.03 %
型式・外観寸法

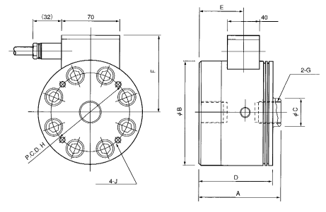
型式名と定格容量・寸法(単位:mm)・固有振動数・質量
| 型式名 | 定格容量 | A | B | C | D | E | F | G | H | J | 固有振動数 | 質量 |
|---|---|---|---|---|---|---|---|---|---|---|---|---|
| SHU-10KNA | 10 kN | 80 | 100 | 22 | 72 | 42 | 78 | M12×1.75深20 | 80 | M8深12 | 6.0 kHz | 3.2 kg |
| SHU-20KNA | 20 kN | 80 | 100 | 22 | 72 | 42 | 78 | M16×2深20 | 80 | M8深12 | 8.6 kHz | 3.2 kg |
| SHU-50KNA | 50 kN | 95 | 125 | 34 | 85 | 52 | 94 | M24×2深30 | 95 | M8深15 | 6.4 kHz | 6.8 kg |
| SHU-100KNA | 100 kN | 135 | 160 | 48 | 120 | 75 | 114 | M36×2深45 | 120 | M8深15 | 5.9 kHz | 16 kg |
| SHU-200KNA | 200 kN | 175 | 200 | 65 | 155 | 100 | 136 | M48×3深60 | 160 | M8深15 | 4.9 kHz | 34 kg |
| SHU-500KNA | 500 kN | 270 | 310 | 105 | 250 | 165 | 192 | M80×3深90 | 230 | M16深30 | 4.0 kHz | 135 kg |
| SHU-1MNA | 1 MN | 330 | 400 | 150 | 310 | 210 | 239 | M110×4深110 | 300 | M16深40 | 3.5 kHz | 280 kg |
※定格容量200kN,500kN,1MNの試験成績書は圧縮校正データのみとなります。(引張は別途ご相談)
※未記載の項目確認は取扱説明書又は当社までお問い合わせください。
※全て受注生産品です。
仕様・規格
| 許容過負荷 | 150 %R.C. |
|---|---|
| 定格出力 | 2 mV/V±1 % |
| 直線性 | 0.03 %R.O. |
| ヒステリシス | 0.03 %R.O. |
| 繰り返し性 | 0.02 %R.O. |
| 推奨印加電圧 | 12 V 以内 |
| 許容印加電圧 | 20 V |
| 入力抵抗 | 350 Ω |
| 出力抵抗 | 350 Ω |
| 温度補償範囲 | -10~60 ℃ |
| 許容温度範囲 | -30~80 ℃ |
| 零点の温度特性 | 0.002 %R.O./℃ |
| 出力の温度特性 | 0.002 %/℃ |
| ケーブル | Φ8 mm-6芯シールドケーブル5 m、先端むき出し |