特長・用途
- オールステンレス製
- 不活性ガス封入、密閉構造
- 小型・軽量(アダプタ取外し可能)
- 引張・圧縮の両用可能
- 主な用途:試験器・産業機器…
- 精度クラス:0.15 %
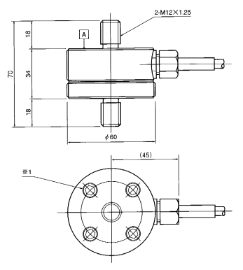
型式・外観寸法

型式名と定格容量・寸法(単位:mm)・固有振動数・質量
| 型式名 | 定格容量 | 固有振動数 | 質 量 |
|---|---|---|---|
| RTD-500N | 500 N | 3.6 kHz | 1.0 kg |
| RTD-1KN | 1 kN | 5.4 kHz | 1.0 kg |
| RTD-2KN | 2 kN | 7.8 kHz | 1.0 kg |
| RTD-5KN | 5 kN | 13 kHz | 1.0 kg |
| RTD-10KN | 10 kN | 16 kHz | 1.1 kg |
| RTD-20KN | 20 kN | 23 kHz | 1.1 kg |
※1箇所(アダプタ取付ネジ)は、定格/10 kN,20 kNでは8本締めとなります。
※A面には取付治具が機械的接触しないように設置下さい(ギャップ:0.5~1 mm)。
※質量はケーブルを含みません。
仕様・規格
| 許容過負荷 | 150 %R.C.(500 N~10 kN) |
|---|---|
| 120 %R.C.(20 kN) | |
| 定格出力 | 2 mV/V±1 % |
| 直線性 | 0.15 %R.O. |
| ヒステリシス | 0.15 %R.O. |
| 繰り返し性 | 0.1 %R.O. |
| 推奨印加電圧 | 12 V 以内 |
| 許容印加電圧 | 20 V |
| 入力抵抗 | 425 Ω |
| 出力抵抗 | 350 Ω |
| 温度補償範囲 | -10~60 ℃ |
| 許容温度範囲 | -30~80 ℃ |
| 零点の温度影響 | 0.01 %R.O./℃ |
| 出力の温度影響 | 0.01 %/℃ |
| ケーブル | Φ6 mm-4芯シールドケーブル5 m、先端むき出し |