特長・用途
- 超小型&低容量
- 精度クラス:0.5 %
- Φ8 のフラット面にて負荷受感が可能(均等荷重時)
- 用途:指圧感覚測定に最適・IC/真空チャック加圧力・シート体圧分布など…
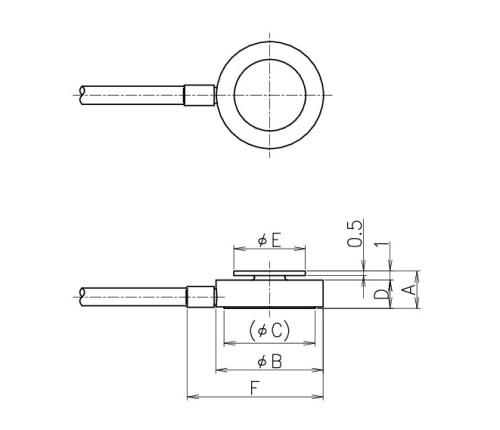
型式・外観寸法

型式名と定格容量・寸法(単位:mm)・固有振動数・質量
| 型式名 | 定格容量 | A | B | C | D | E | F | 固有振動数 | 質量 |
|---|---|---|---|---|---|---|---|---|---|
| MRH-5N | 5 N | 3.4 | 12 | 10 | 2.4 | 8 | 9.5 | 6.8 kHz | 1.7 g |
| MRH-10N | 10 N | 3.4 | 12 | 10 | 2.4 | 8 | 9.5 | 6.8 kHz | 1.7 g |
| MRH-20N | 20 N | 3.4 | 12 | 10 | 2.4 | 8 | 9.5 | 10 kHz | 1.7 g |
| MRH-50N | 50 N | 4.2 | 12 | 10 | 3.2 | 8 | 9.5 | 20 kHz | 2.2 g |
| MRH-100N | 100 N | 4.2 | 14 | 12 | 3.2 | 8 | 10.5 | 29 kHz | 3.3 g |
※質量はケーブルを含みません。
仕様・規格
| 許容過負荷 | 150 %R.C. |
|---|---|
| 定格出力 | 0.5 mV/V±25 % (5 N) 1 mV/V±25 % (10 N ~ 100N) |
| 直線性 | 0.5 %R.O. |
| ヒステリシス | 0.5 %R.O. |
| 繰り返し性 | 0.3 %R.O. |
| 推奨印加電圧 | 4 V 以内 |
| 許容印加電圧 | 6 V |
| 入力抵抗 | 350 Ω |
| 出力抵抗 | 350 Ω |
| 温度補償範囲 | 0~60 ℃ |
| 許容温度範囲 | -10~60 ℃ |
| 零点の温度影響 | 0.2 %R.O./℃ |
| 出力の温度影響 | 0.05 %/℃ |
| ケーブル | Φ2 mm-4芯シールドケーブル3 m、先端むき出し |