特長・用途
- オールステンレス製
- 不活性ガス封入、密閉構造
- 小型・軽量
- 精度クラス:0.15 %
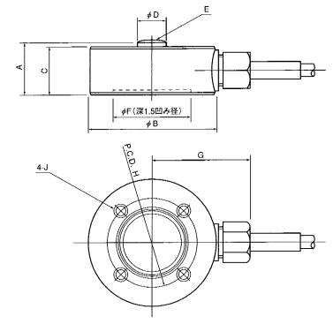
型式・外観寸法

型式名と定格容量・寸法(単位:mm)・固有振動数・質量
| 型式名 | 定格容量 | A | B | C | D | E | F | G | H | J | 固有振動数 | 質 量 |
|---|---|---|---|---|---|---|---|---|---|---|---|---|
| RCD-500N | 500 N | 25 | 60 | 22 | 12 | SR50 | 36 | 45 | 42 | M5深6 | 3.6 kHz | 0.7 kg |
| RCD-1KN | 1 kN | 25 | 60 | 22 | 12 | SR50 | 36 | 45 | 42 | M5深6 | 5.4 kHz | 0.7 kg |
| RCD-2KN | 2 kN | 25 | 60 | 22 | 12 | SR50 | 36 | 45 | 42 | M5深6 | 7.8 kHz | 0.7 kg |
| RCD-5KN | 5 kN | 25 | 60 | 22 | 12 | SR50 | 36 | 45 | 42 | M5深6 | 13 kHz | 0.7 kg |
| RCD-10KN | 10 kN | 25 | 60 | 22 | 12 | SR50 | 36 | 45 | 42 | M5深6 | 16 kHz | 0.8 kg |
| RCD-20KN | 20 kN | 25 | 60 | 22 | 12 | SR50 | 36 | 45 | 42 | M5深6 | 23 kHz | 0.8 kg |
| RCD-50KN | 50 kN | 40 | 100 | 35 | 24 | SR70 | 65 | 80 | 80 | M8深15 | 7.7 kHz | 1.8 kg |
| RCD-100KN | 100 kN | 40 | 100 | 35 | 24 | SR70 | 65 | 80 | 80 | M8深15 | 11 kHz | 1.8 kg |
| RCD-200KN | 200 kN | 45 | 120 | 40 | 33 | SR100 | 73 | 90 | 90 | M8深15 | 5 kHz | 3.1 kg |
※質量はケーブルを含みません。
※未記載の項目確認は取扱説明書又は当社までお問い合わせください。
仕様・規格
| 許容過負荷 | 150 %R.C. |
|---|---|
| 定格出力 | 2 mV/V±1 % |
| 直線性 | 0.15 %R.O.(500N~20kN) |
| 0.10 %R.O.(50kN~200kN) | |
| ヒステリシス | 0.15 %R.O. |
| 繰り返し性 | 0.1 %R.O. |
| 推奨印加電圧 | 12 V 以内 |
| 許容印加電圧 | 20 V |
| 入力抵抗 | 425 Ω |
| 出力抵抗 | 350 Ω |
| 温度補償範囲 | -10~60 ℃ |
| 許容温度範囲 | -30~80 ℃ |
| 零点の温度影響 | 0.01 %R.O./℃ |
| 出力の温度影響 | 0.01 %/℃ |
| ケーブル | Φ6 mm 4芯シールドケーブル5 m、先端むき出し(500 N~20 kN) |
| Φ8 mm 4芯シールドケーブル5 m、先端むき出し(50 kN~200 kN) |