特長・用途
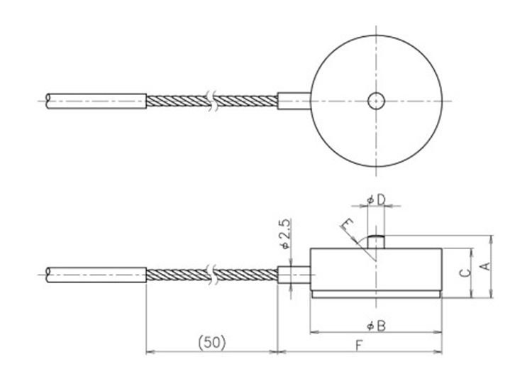
- 外径Φ14/厚さ4 mm、オールステンレス製、超小型&高容量
- Φ4 のフラット面にて負荷受感が可能
- 温度範囲150 ℃まで計測が可能
型式・外観寸法

型式名と定格容量・寸法(単位:mm)・固有振動数・質量
| 型式名 | 定格容量 | A | B | C | D | E | F | 固有振動数 | 質 量 |
|---|---|---|---|---|---|---|---|---|---|
| MRD-100NH | 100 N | 9.5 | 20 | 7.5 | 2.5 | SR4 | 25 | 21 kHz | 5.2 g |
| MRD-200NH | 200 N | 9.5 | 20 | 7.5 | 2.5 | SR4 | 25 | 28 kHz | 5.2 g |
| MRD-500NH | 500 N | 9.5 | 20 | 7.5 | 2.5 | SR4 | 25 | 41 kHz | 5.2 g |
| MRD-1KNH | 1 kN | 9.5 | 20 | 7.5 | 2.5 | SR4 | 25 | 59 kHz | 5.2 g |
| MRD-2KNH | 2 kN | 9.5 | 20 | 7.5 | 2.5 | SR4 | 25 | 85 kHz | 5.2 g |
| MRD-5KNH | 5 kN | 13.5 | 25 | 11 | 6 | SR15 | 30 | 92 kHz | 12 g |
| MRD-10KNH | 10 kN | 13.5 | 25 | 11 | 6 | SR15 | 30 | 140 kHz | 12 g |
※質量はケーブルを含みません。
仕様・規格
| 許容過負荷 | 120 %R.C. |
|---|---|
| 定格出力 | 1 mV/V±20 % |
| 直線性 | 1 %R.O. |
| ヒステリシス | 1 %R.O. |
| 繰り返し性 | 0.5 %RO |
| 推奨印加電圧 | 4 V 以内 |
| 許容印加電圧 | 6 V |
| 入力抵抗 | 350 Ω |
| 出力抵抗 | 350 Ω |
| 温度補償範囲 | 20~150 ℃ |
| 許容温度範囲 | 0~160 ℃ |
| 零点の温度影響 | 0.2 %R.O./℃ |
| 出力の温度影響 | 0.1 %/℃ |
| ケーブル | Φ2.2 mm-4芯シールドケーブル3 m、先端むき出し |