特長・用途
- 広範囲な定格容量に対応(10 N~500 N)
- 小型・軽量
- 狭いスペースに設置可能
- 精度クラス:0.1 %
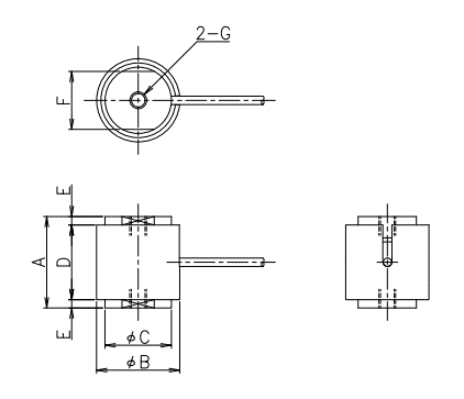
型式・外観寸法

型式名と定格容量・寸法(単位:mm)・固有振動数・質量
| 型式名 | 定格容量 | A | B | C | D | E | F | G | 固有振動数 | 質量 |
|---|---|---|---|---|---|---|---|---|---|---|
| RCT-10NM | 10 N | 20 | 20 | 16 | 18 | 1 | 14 | M3×0.5深3.5 | 2.2 kHz | 約 9g |
| RCT-20NM | 20 N | 20 | 20 | 16 | 18 | 1 | 14 | M3×0.5深3.5 | 3.0 kHz | 約 9g |
| RCT-50NM | 50 N | 20 | 20 | 16 | 18 | 1 | 14 | M3×0.5深3.5 | 5.2 kHz | 約 10g |
| RCT-100NM | 100 N | 20 | 20 | 16 | 18 | 1 | 14 | M3×0.5深3.5 | 8.0 kHz | 約 10g |
| RCT-200NM | 200 N | 20 | 20 | 16 | 18 | 1 | 14 | M3×0.5深3.5 | 6.6 kHz | 約 21g |
| RCT-500NM | 500 N | 22 | 20 | 16 | 18 | 2 | 14 | M4×0.7深4.5 | 11.7 kHz | 約 24g |
※質量はケーブルを含みません。
仕様・規格
| 許容過負荷 | 120 %R.C. |
|---|---|
| 定格出力 | 1.5 mV/V±20% |
| 直線性 | 0.1 %R.O. |
| ヒステリシス | 0.1 %R.O. |
| 繰り返し性 | 0.1%R.O. |
| 推奨印加電圧 | 5 V 以内 |
| 許容印加電圧 | 8 V |
| 入力抵抗 | 350 Ω |
| 出力抵抗 | 350 Ω |
| 温度補償範囲 | -10~45 ℃ |
| 許容温度範囲 | -20~60 ℃ |
| 零点の温度影響 | 0.05 %R.O./℃ |
| 出力の温度影響 | 0.05 %/℃ |
| ケーブル | Φ2 mm 4芯シールドケーブル3 m、先端むき出し |