特長・用途
- 高容量で小型軽量
- プレス機械等の管理用
- ローコスト
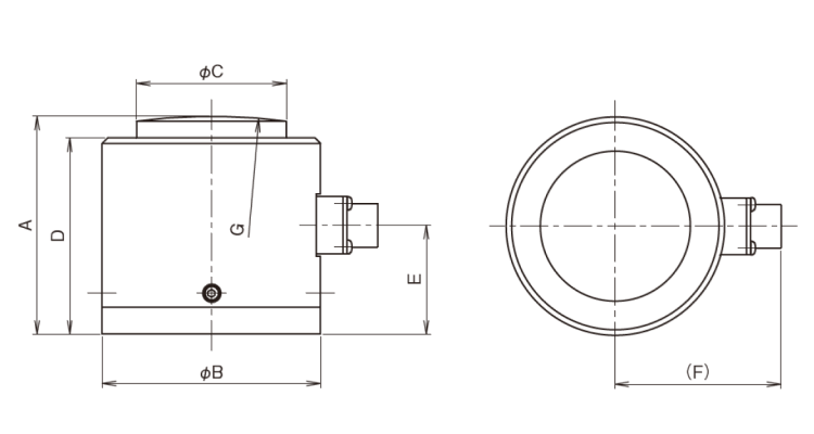
型式・外観寸法

型式名と定格容量・寸法(単位:mm)・固有振動数・質量
| 型式名 | 定格容量 | A | B | C | D | E | F | G | 固有振動数 | 質量 |
|---|---|---|---|---|---|---|---|---|---|---|
| RCH-300KN* | 300 kN | 65 | 65 | 45 | 60 | 35 | 55 | SR 160 | 26 kHz | 1.4 kg |
| RCH-500KN* | 500 kN | 80 | 80 | 55 | 72 | 40 | 61 | SR 200 | 20 kHz | 2.5 kg |
| RCH-1MN* | 1 MN | 80 | 115 | 70 | 72 | 40 | 69 | SR 300 | 24 kHz | 5.1 kg |
| RCH-1.5MKN* | 1.5 MN | 80 | 140 | 85 | 72 | 45 | 82 | SR 400 | 16 kHz | 7.6 kg |
※*記号の製品は受注生産品です。
仕様・規格
| 許容過負荷 | 120 %R.C. |
|---|---|
| 定格出力 | 1.5 mV/V(公称値) |
| 直線性 | 0.5 %R.O.(300 kN、500 kN) 1 %R.O.(1 MN) 1.5 %R.O.(5 MN) |
| ヒステリシス | 0.5 %R.O.(300 kN、500 kN) 1 %R.O.(1 MN) 1.5 %R.O.(5 MN) |
| 繰り返し性 | 0.3 %R.O.(300 kN、500 kN) 0.5 %R.O.(1 MN) 1 %R.O.(5 MN) |
| 推奨印加電圧 | 10 V 以内 |
| 許容印加電圧 | 12 V |
| 入力抵抗 | 350 Ω |
| 出力抵抗 | 350 Ω |
| 温度補償範囲 | -10~60 ℃ |
| 許容温度範囲 | -30~80 ℃ |
| 零点の温度影響 | 0.01 %R.O./℃ |
| 出力の温度影響 | 0.01 %/℃ |
| コネクタ | レセプタクル/PRC03-21A10-7F |
| 付属ケーブル | L-A-5、コネクタの種類と接続を参照 |