特長・用途
- 微小荷重・広範囲な定格容量に対応(1 N~20 N)
- 検出には350 Ωの専用ひずみゲージを使用し 0.025 %ROの優れた直線性及び温度特性
- 許容過負荷:200 %RO、耐横荷重:40 %ROの耐荷重特性
- 負荷離脱特性:0.005 %/cm(最大5 cm)まで保証
- オプションにて計量載台を装着することで計量ユニットとして利用可能
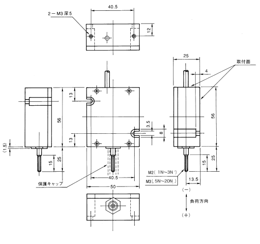
型式・外観寸法

型式名と定格容量・寸法(単位:mm)・固有振動数・質量
| 型式名 | 定格容量 | 変 位 | 固有振動数 | 質 量 |
|---|---|---|---|---|
| DBJ-1N | 1 N | 0.42mm | 82 Hz | 125 g |
| DBJ-2N | 2 N | 0.35mm | 130 Hz | 125 g |
| DBJ-5N | 5 N | 0.24mm | 180 Hz | 125 g |
| DBJ-10N | 10 N | 0.20mm | 360 Hz | 125 g |
| DBJ-20N | 20 N | 0.16mm | 570 Hz | 125 g |
※質量はケーブルを含みません。
仕様・規格
| 許容過負荷 | 200 %R.C. |
|---|---|
| ストッパ耐過負荷 | 500 %R.C. |
| 耐横荷重 | 40 %R.C. |
| 定格出力 | 2 mV/V±5% |
| 直線性 | 0.025 %R.O. |
| ヒステリシス | 0.025 %R.O. |
| 負荷離脱特性 | 0.005 %/cm |
| 推奨印加電圧 | 7 V 以内 |
| 許容印加電圧 | 10 V |
| 入力抵抗 | 350 Ω |
| 出力抵抗 | 350 Ω |
| 温度補償範囲 | -10~45 ℃ |
| 許容温度範囲 | -20~60 ℃ |
| 零点の温度影響 | 0.004 %R.O./℃ |
| 出力の温度影響 | 0.003 %/℃ |
| ケーブル | Φ4 mm 4芯シールドケーブル2 m、先端むき出し |
- ストッパ耐過負荷について:限界過負荷を超えてもロードセルが保持できる負荷を表し、この負荷まではロードセル内部が破損しても測定系に影響を与えないことをいう。
- 耐横荷重について: ロードセルが負荷軸と直角の方向から受けることの出来る負荷(荷重、力)の最大値で、定格出力の百分率で表しています。本器では測定時に発生しやすい横加重に対して、強度、精度とも40%R.Oの負荷を補償する強剛性構造を採用しています(定格負荷における同心傾斜荷重の傾斜角度はロードセル軸心に対して23.5°まで許容できます)。
- 負荷離脱特性について:負荷中心がロードセルの軸心から離脱したときに生ずる出力の変化です。本器では最大離脱距離5cmを保証しています。