特長・用途
- 高信頼・汎用タイプ
- 豊富な納入実績・ローコスト
- 球面座装着(脱落キャップ付)
- 広範囲な定格容量(10 kN~5 MN)
- 精度クラス:0.15 %
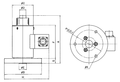
型式・外観寸法

型式名と定格容量・寸法(単位:mm)・固有振動数・質量
| 型式名 | 定格容量 | A | B | C | D | E | F | G | H | J | K | 固有振動数 | 質 量 |
|---|---|---|---|---|---|---|---|---|---|---|---|---|---|
| RC-10KN | 10 kN | 102 | 80 | 45 | 14 | 18 | 71 | 10.5 | 94.5 | 60 | 3- Φ5.5 | 1.3 kHz | 1.4 kg |
| RC-20KN | 20 kN | 102 | 80 | 45 | 14 | 18 | 71 | 10.5 | 94.5 | 60 | 3- Φ5.5 | 5.4 kHz | 1.4 kg |
| RC-50KN | 50 kN | 110 | 80 | 40 | 20 | 15 | 95 | 10.5 | 93 | 65 | 4- Φ6.5 | 9.0 kHz | 1.6 kg |
| RC-100KN | 100 kN | 120 | 100 | 50 | 30 | 21 | 105 | 10.5 | 108 | 80 | 4- Φ8.5 | 8.3 kHz | 2.0 kg |
| RC-200KN | 200 kN | 150 | 120 | 66 | 40 | 30 | 134 | 11 | 126 | 100 | 4- Φ8.5 | 8.1 kHz | 3.2 kg |
| RC-500KN* | 500 kN | 210 | 150 | 98 | 60 | 48 | 185 | 20 | 157 | 125 | 4- Φ10.5 | 4.8 kHz | 13 kg |
| RC-1MN* | 1 MN | 276 | 250 | 143 | 100 | 68 | 245 | 21 | 225 | 190 | 4- Φ13.0 | 3.7 kHz | 30 kg |
| RC-2MN* | 2 MN | 331 | 280 | 170 | 130 | 95 | 296 | 25 | 255 | 220 | 4- Φ13.0 | 3.7 kHz | 46 kg |
| RC-5MN* | 5 MN | 430 | 380 | 242 | 200 | 150 | 383 | 37 | 348 | 320 | 4- Φ15.5 | 2.9 kHz | 122 kg |
※*記号の製品は受注生産品です。
仕様・規格
| 許容過負荷 | 150 %R.C. |
|---|---|
| 定格出力 | 1.5 mV/V±1 % |
| 直線性 | 0.2 %R.O. |
| ヒステリシス | 0.2 %R.O. |
| 繰り返し性 | 0.1 %R.O. |
| 推奨印加電圧 | 12 V 以内 |
| 許容印加電圧 | 20 V |
| 入力抵抗 | 350 Ω |
| 出力抵抗 | 350 Ω |
| 温度補償範囲 | -10~60 ℃ |
| 許容温度範囲 | -30~80 ℃ |
| 零点の温度影響 | 0.01 %R.O./℃ |
| 出力の温度影響 | 0.01 %/℃ |
| コネクタ | レセプタクル/PRC03-21A10-7F |
| 付属ケーブル | L-A-5、コネクタの種類と接続を参照 |