特長・用途
- 引張用・小型ロードセル
- 広範囲な定格容量(50 N~2 kN)
- 引張・圧縮の利用が可能
- 耐振・防水・溶接タイプも特注品として製作可能
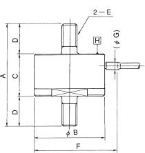
※1 H面には機械的接触のないこと(0.5~1 mm程度のギャップが必要)
型式・外観寸法

型式名と定格容量・寸法(単位:mm)・固有振動数・質量
| 型式名 | 定格容量 | A | B | C | D | E | F | G | 固有周波数 | 質 量 |
|---|---|---|---|---|---|---|---|---|---|---|
| MRDT-50NC | 50 N | 24 | 15 | 10 | 7 | M3×0.5 | 20 | 2.3 | 14 kHz | 11 g |
| MRDT-100NC | 100 N | 31 | 20 | 15 | 8 | M4×0.7 | 25 | 3 | 13 kHz | 30 g |
| MRDT-200NC | 200 N | 31 | 20 | 15 | 8 | M4×0.7 | 25 | 3 | 21 kHz | 30 g |
| MRDT-500NC | 500 N | 31 | 20 | 15 | 8 | M4×0.7 | 25 | 3 | 39 kHz | 30 g |
| MRDT-1KNC | 1 kN | 31 | 20 | 15 | 8 | M4×0.7 | 25 | 3 | 63 kHz | 30 g |
| MRDT-2KNC | 2 kN | 41 | 28 | 17 | 12 | M6×1 | 33 | 3 | 48 kHz | 74 g |
※質量はケーブルを含みません。
仕様・規格
| 許容過負荷 | 120 %R.C. |
|---|---|
| 定格出力 | 1 mV/V±20 % |
| 直線性 | 0.5 %R.O. |
| ヒステリシス | 0.5 %R.O. |
| 繰り返し性 | 0.3 %R.O. |
| 推奨印加電圧 | 4 V 以内 |
| 許容印加電圧 | 6 V |
| 入力抵抗 | 350 Ω |
| 出力抵抗 | 350 Ω |
| 温度補償範囲 | 0~60 ℃ |
| 許容温度範囲 | -10~60 ℃ |
| 零点の温度影響 | 0.2 %R.O./℃ |
| 出力の温度影響 | 0.1 %/℃ |
| ケーブル | Φ2 mm-4芯シールド3 m、先端むき出し(50 N) |
| Φ2.8 mm-4芯シールド3 m、先端むき出し(100 N~2 kN) |