特長・用途
- 高容量・高精度ワッシャー型:500 kN~5 MN
- 用途:大型圧延機・鍛造プレス機械用.
- 精度クラス:0.3 %(500kN ~ 2MN)0.5 %(5MN)
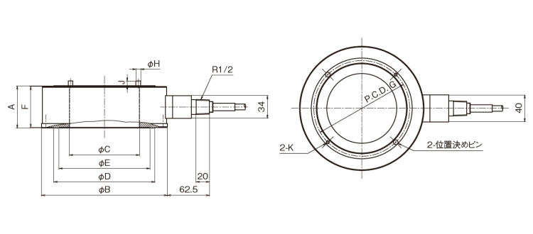
型式・外観寸法

型式名と定格容量・寸法(単位:mm)・固有振動数・質量
| 型式名 | 定格容量 | A | B | C | D | E | F | G | H | J | K | 固有振動数 | 質 量 |
|---|---|---|---|---|---|---|---|---|---|---|---|---|---|
| HCWG-500kN* | 500 kN | 63 | 187 | 104 | 150 | 135 | 61 | 142 | 7 | 7 | M5深さ8 | 2.7 kHz | 8.5 kg |
| HCWG-1MN* | 1 MN | 78 | 242 | 132 | 189 | 164 | 76 | 177 | 10 | 10 | M8深さ16 | 2.4 kHz | 16 kg |
| HCWG-2MN* | 2 MN | 82 | 270 | 132 | 218 | 164 | 80 | 191 | 10 | 10 | M8深さ16 | 2.0 kHz | 25 kg |
| HCWG-5MN* | 5 MN | 110 | 355 | 210 | 316 | 240 | 108 | 280 | 20 | 10 | M10深さ20 | 1.6 kHz | 47 kg |
※全て受注生産品です。
※上記の定格容量は弊社で標準的寸法を掲げたものです。一般的には圧延機の荷重検出部位に応じ、内径・外径・ケーブル取出し等を決定する必要があります。 詳しくは弊社営業所までお問い合わせをお願い致します。
仕様・規格
| 許容過負荷 | 150 %R.C. |
|---|---|
| 定格出力 | 1 mV/V±1% |
| 直線性 | 0.3 %R.O. (500kN ~ 2MN) 0.5 %R.O. (5MN) |
| ヒステリシス | 0.3 %R.O. (500kN ~ 2MN) 0.5 %R.O. (5MN) |
| 繰り返し性 | 0.2 %R.O. (500kN ~ 2MN) 0.3 %R.O. (5MN) |
| 推奨印加電圧 | 12 V 以内 |
| 許容印加電圧 | 20 V |
| 入力抵抗 | 350 Ω |
| 出力抵抗 | 350 Ω |
| 温度補償範囲 | -10~60 ℃ |
| 許容温度範囲 | -30~80 ℃ |
| 零点の温度影響 | 0.01 %R.O./℃ |
| 出力の温度影響 | 0.01 %/℃ |
| ケーブル | Φ8 mm-4芯シールドケーブル10 m、先端むき出し |